新闻资讯

News

新闻资讯

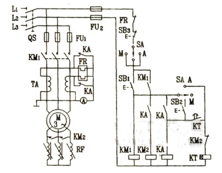
频敏变阻器启动电路图(一)

2024-08-05 1634

应用频敏变阻器启动线绕转子异步电动机的控制线路如下图所示,其启动过程如下:先合上电源开关QS后:

按下启动按钮SB1,接通接触器KM1,将电动机接上电源,转子电路串入频敏变阻器Rfs这时频敏变阻器的等值电阻与电抗的值都很大,限制了启动电流并提高了启动转矩。时间继电器KT接通后,经过一段时间以后,它的延时闭合的常开触点闭合,接通中间继电器KA。这时,电动机已经启动加速一段时间,频敏变阻器的等值电阻与电抗也很小了。KA的动合触点闭合接通接触器KM2,它的动合触点闭合将频敏变阻器短接,启动过程遂告结束。

频敏变阻器启动电路图

图中TA为电流互感器,它的原边串联在电动机定子电路里,副边接热继电器FR。在启动过程中,KA的常闭触电将FR的发热元件短接,以免因启动过程较长而使热继电器误动作。

(文章部分图文来源于网络,版权归原作者所有。如有侵权,请联系后台删除!)

联系我们
扫一扫,加我为朋友
© 上海申铂电器有限公司   沪ICP备17056605号-1   沪公网安备 31011202007869号   XML   网站地图   网站制作维护:传信网络

微信
咨询

扫一扫,加我为朋友
扫一扫,加我为朋友

服务
热线

13506671539

15968759000
服务热线