网站首页
关于我们
公司简介
资质证书
产品中心
BP1-3系列频敏变阻器
BP2系列频敏变阻器
BP4系列频敏变阻器
BP6 频敏变阻器
BP8Y频敏变阻器
瓷管线绕电阻
RT型电阻器
ZX1型电阻器
ZX2型电阻器
ZX9型电阻器
ZX12型电阻器
ZX15型电阻器
ZX28不锈钢电阻器
BZR-15/22-X 电阻器
ZG11、RX20型电阻器
BP-500A稳定变阻器
BP-1000A稳定变阻器
频敏启动柜245KW
QZB系列自耦变压器
自耦变压器系列
BC1型瓷盘变压器
进线电抗器
新闻资讯
公司新闻
行业动态
常见问题
产品应用
资料下载
联系我们
首页
关于我们
公司简介
资质证书
产品中心
BP1-3系列频敏变阻器
BP2系列频敏变阻器
BP4系列频敏变阻器
BP6 频敏变阻器
BP8Y频敏变阻器
瓷管线绕电阻
RT型电阻器
ZX1型电阻器
ZX2型电阻器
ZX9型电阻器
ZX12型电阻器
ZX15型电阻器
ZX28不锈钢电阻器
BZR-15/22-X 电阻器
ZG11、RX20型电阻器
BP-500A稳定变阻器
BP-1000A稳定变阻器
频敏启动柜245KW
QZB系列自耦变压器
自耦变压器系列
BC1型瓷盘变压器
进线电抗器
新闻资讯
公司新闻
行业动态
常见问题
产品应用
资料下载
联系我们
产品中心
PRODUCT
产品中心
首页
-
产品中心
-
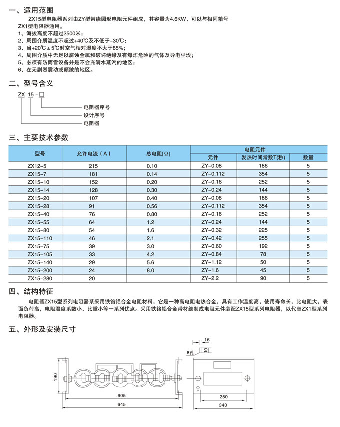
ZX15型电阻器
-
ZX15型电阻器
ZX15型电阻器
如果您有任何问题可以联系我们!
联系我们
电话:13506671539 15968759000
扫一扫,加我为朋友
详细信息
详细信息
没有了!
没有了!
返回
相关产品
ZX15型电阻器
联系我们
上海市闵行区北松路3589号181座
13506671539 15968759000
首页
/
关于我们
/
产品中心
/
新闻资讯
/
产品应用
/
资料下载
/
联系我们
© 上海申铂电器有限公司
沪ICP备17056605号-1
沪公网安备 31011202007869号
XML
网站地图
网站制作维护:
传信网络
微信
咨询
扫一扫,加我为朋友
服务
热线
13506671539
15968759000
服务热线